常用过程螺纹连接规格表:
| 外形图 |
规格 |
尺 寸(mm) |
L |
S |
H |
建议保护管直径 |
 |
M8 |
10 |
12 |
6 |
3, 4 |
M10 |
12 |
14 |
6 |
3,4,5,6 |
M12 |
15 |
16 |
8 |
3,4,5,6,8 |
M16 |
15 |
22 |
8 |
3,4,5,6,8,10 |
M20 |
18 |
27 |
10 |
|
M27 |
30 |
32 |
15 |
|
 |
G1/8 |
12 |
14 |
6 |
3 |
G1/4 |
15 |
18 |
8 |
|
G3/8 |
15 |
22 |
8 |
|
G1/2 |
18 |
27 |
10 |
|
G3/4 |
20 |
32 |
15 |
|
 |
NPT1/8 |
12 |
14 |
6 |
3 |
NPT1/4 |
15 |
18 |
8 |
|
NPT3/8 |
15 |
22 |
8 |
|
NPT1/2 |
18 |
27 |
10 |
|
NPT3/4 |
20 |
32 |
15 |
|
NPT1 |
25 |
38 |
15 |
|
二、常用活动卡套螺纹规格表
| 外 形 图 |
常 用 规 格 |
尺寸(单位:mm) |
| L |
S |
保护管直径 |
 |
M8*1.25 |
10 |
12 |
3 |
| M10*1.5 |
10 |
12 |
3, 4 |
| M16*1.5 |
14 |
22 |
3, 4, 5, 6, 8 |
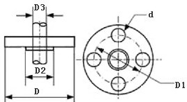
三、常用法兰参数说明:
| 固定法兰参数说明 |
固定法兰外形示意图 |
| 代号 |
D |
D1 |
D2 |
D3 |
d |
 |
| F1 |
95 |
65 |
45 |
12或16 |
14 |
| F2 |
105 |
75 |
55 |
12或16 |
14 |
| F3 |
115 |
85 |
65 |
12或16 |
14 |
符号
说明 |
D:固定法兰直径 D3:保护管直径 |
| D1:定位孔同心圆直径 |
| d:定位孔直径(数量为4个) |
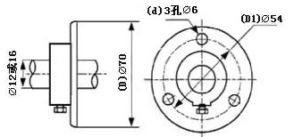
| 活动法兰参数说明 |
螺钉顶紧活动法兰 |
| 代号 |
数值
(mm) |
说 明 |
适配管径 |
 |
D |
70 |
法兰直径 |
12 |
| D1 |
54 |
定位孔
同心圆直径 |
| d |
6 |
定位孔直径
(3个孔) |
16
|
四、卡盘说明:
| 卫生型卡盘 |
 |
|